- Usted no tiene ningún producto en su carrito de compras.
casa » Bombas hidráulicas » Bombas de pistones axiales » Bombas regulables » Bomba hidráulica, bomba de pistones axiales de ajuste C1, 18 cc/rev, ajuste proporcional hidráulico, rotación a la derecha, DBV 250 bar
Bomba hidráulica, bomba de pistones axiales de ajuste C1, 18 cc/rev, ajuste proporcional hidráulico, rotación a la derecha, DBV 250 bar
Bomba hidráulica, bomba de pistones axiales de desplazamiento variable C1, 18 cc/rev, ajuste proporcional hidráulico, rotación a la derecha, DBV 250 bar
La serie C1 pertenece a la familia de bombas de pistones axiales con carcasa de aluminio y volumen de flujo variable para su uso en sistemas de circuito cerrado. El volumen de flujo se regula de forma continua mediante una placa inclinada. Las bombas son reversibles.
Las siguientes características definen este producto:
- Bomba de pistones axiales de desplazamiento variable para circuito cerrado, serie C1
- Desplazamiento de 18 cc/rev
- Regulación proporcional hidráulica con retorno a cero (INP)
- Rotación a la derecha, DBV 250 bar
- Eje de salida Z=9 16/32 Dp
- Bomba de alimentación integrada
- Eje pasante para montaje de bomba de engranajes SAE A Z=9 16/32 Dp interior estriado
- Disponible también como bomba doble

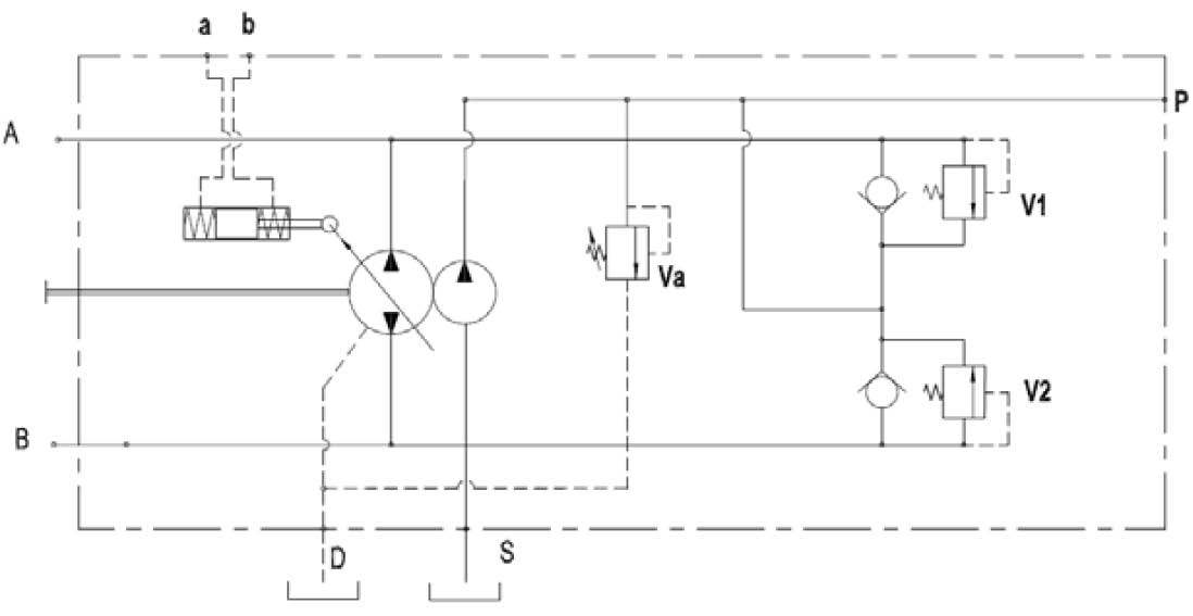
Diagrama de control del regulador:

Dimensiones:

Más datos en nuestro catálogo:
Componente hidráulico para la integración en sistemas hidráulicos
Todos nuestros productos hidráulicos son nuevos y de calidad de equipo original (excepto cuando se indique explícitamente lo contrario). Si algún artículo deseado no está disponible o no aparece en la lista, no dude en ponerse en contacto con nosotros. Intentaremos encontrar una solución adecuada según sus especificaciones lo antes posible. Además, ampliamos continuamente nuestra gama para ofrecerle una amplia selección de componentes hidráulicos a precios competitivos. ¡Hydromot Hidráulica – siempre económico, siempre bueno!
Comentarios de los lectores
Lo sentimos, no hay críticas. Sé el primero en opinar sobre el producto.
