filtro actual
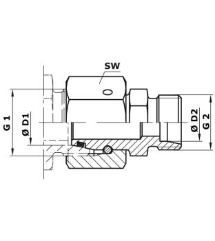
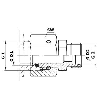
Reducción de rosca para atornillar
S1: 1 1/2"
Presión máxima de trabajo: 315 bar
Ancho de llave: 55
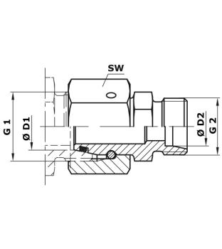
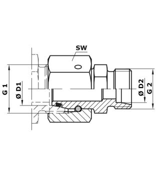
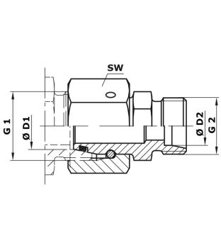
Reducción recta con ajuste de tornillo y cono de sellado, Serie ligera
S1: Rosca M45x2,0
S2: Rosca M36x2,0
Llave: 50
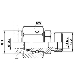
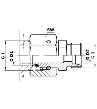
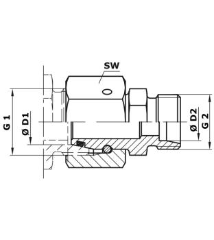
Reducción recta con ajuste de tornillo y cono de sellado, Serie pesada
S1: Rosca M52x2,0
S2: Rosca M18x1,5
Llave: 60
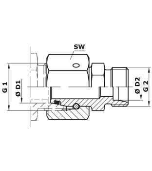
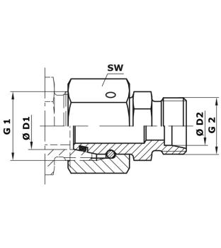
S2: Rosca M14x1,5
S2: Rosca M20x1,5
S1: 2"
Presión máxima de trabajo: 250 bar
Ancho de llave: 75
S2: Rosca M24x1,5
S2: Rosca M22x1,5
S2: Rosca M30x2,0
S2: Rosca M26x1,5
S2: Rosca M42x2,0
{{.}}
{{{.}}}