filtro actual
Reducción recta con cono de sellado, Serie pesada
S1: Rosca M18x1,5
S2: Rosca M24x1,5
Llave 1: 22
Reducción recta con ajuste de tornillo y cono de sellado, Serie ligera
S1: Rosca M16x1,5
S2: Rosca M14x1,5
Llave: 19
Reducción recta con ajuste de tornillo y cono de sellado, Serie pesada
S2: Rosca M16x1,5
Llave: 22
Adaptador de distancia, Serie ligera
Tubo-Ø: 10 mm
Rosca: M16x1,5
Presión máxima de funcionamiento: 315 bar
SW1: 19
SW2: 17
Racor recto para atornillar métrico, Serie ligera
S1: Tubo-Ø 10 mm
SW2: 19
Sello elástico
Racor recto para atornillar en pulgadas, Serie ligera
S2: G1/4"
S1: Tubo-Ø 8 mm
S2: Rosca M12x1,5
S1: Tubo-Ø 6 mm
S2: Rosca G1/8"
S2: Rosca G3/8"
Racor recto para atornillar en pulgadas, Serie pesada
Presión máxima de trabajo: 630 bar
Junta elástica
Reducción de rosca para atornillar
S1: 1/4"
Ancho de llave: 19
Tapón de cierre para orificios roscados, métrico
S1: M14x1,5
D: 19 mm
Presión máxima de trabajo: 400 bar
SW: 6
Tapón de cierre para orificios roscados, en pulgadas
S1: G3/8"
D: 22 mm
SW: 8
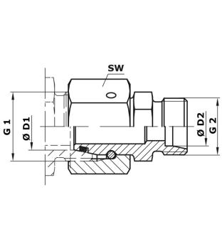
Racor giratorio angular métrico, serie ligera
S1: Diám. tubo 10 mm
Presión máxima de trabajo: 315 bar
Giratorio angular en pulgadas, serie ligera
S2: Rosca G1/4"
{{.}}
{{{.}}}