- Non avete nessun prodotto nel carrello.
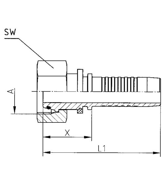
DKOS - DN16 - 25S - M36x2,0
-
Cono di tenuta con O-ring secondo la norma DIN 3865 (adatto per manicotti 24° secondo le norme DIN 3901 e 3902), dado di copertura, serie pesante
-
A: M36x2,0
-
R: 25S
-
X: 32,5 mm
-
L1: 71,0 mm
-
SW: 46
-
DN16 / Size 10 / 5/8"
Componente idraulico per l'integrazione nei sistemi idraulici
Tutti i nostri prodotti idraulici sono nuovi e di qualità equivalente a quella degli equipaggiamenti originali (a meno che non venga esplicitamente indicato diversamente). Se un articolo desiderato non è disponibile o elencato, non esitate a contattarci. Cercheremo immediatamente di trovare una soluzione secondo le vostre specifiche. Inoltre, continuiamo ad ampliare il nostro assortimento per offrirvi una vasta gamma di componenti idraulici a prezzi competitivi. Hydromot Hydraulik – sempre conveniente, sempre buono!
Recensioni dei clienti
Purtroppo non ci sono commenti. Puoi essere il primo a votare questo prodotto.