- Non avete nessun prodotto nel carrello.
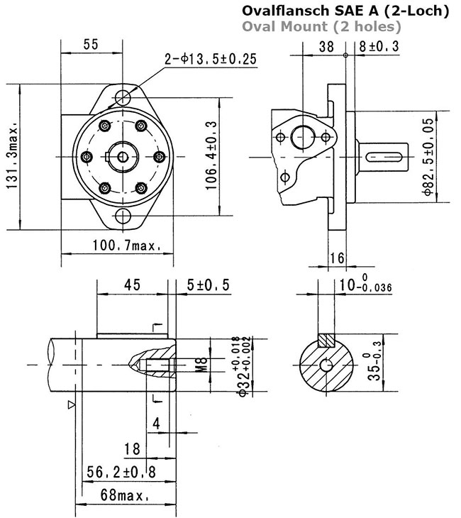
Motori orbitali CPM500CB
Motori orbitali CPM500CB
Questo motore si distingue per la sua alta qualità e il suo prezzo conveniente.Le seguenti caratteristiche contraddistinguono questo prodotto:
- Motori orbitali CPM500CB
- Cilindrata 500 cm3/U
- Anschlüsse: G 1/2‘‘
- Albero: Ø 32 mm cilindrico con chiavetta A8 x 7 x 28
- Flangia SAE a 2 fori
- Modello valvola a scorrimento longitudinale
- Inclusa guarnizione ad alta pressione fino a 150 bar
- Valvola di ritegno interna
- Utilizzo possibile senza connessione di perdite d'olio
- Qualità del fornitore originale
- Ideale per spazi di costruzione ristretti

Dati Tecnici: