- Vous n`avez pas encore de produits dans votre panier.
Page d'accueil » Boîtes de vitesses » Entraînements de fond mouvant » Entraînement du plancher racleur, engrenage hydraulique 9030
Entraînement du plancher racleur, engrenage hydraulique 9030
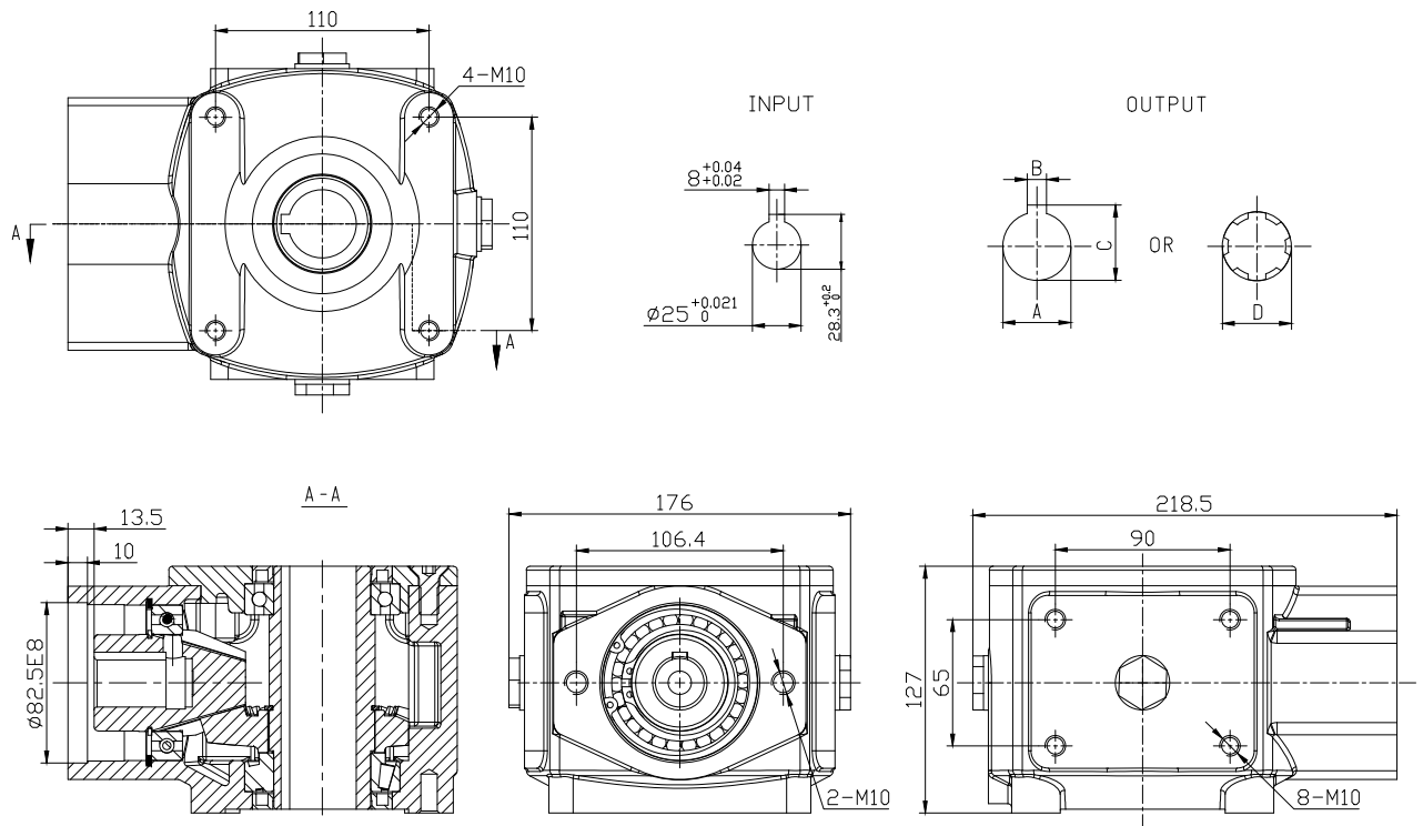
Entraînement du plancher racleur, engrenage hydraulique 9030 Ø arbre d'entraînement 30 mm, i=3,1:1
Ce réducteur de vitesse hydraulique peut être utilisé pour faire fonctionner une remorque à fourrage, une bétonnière ou une transmission par courroie sur une machine agricole
Les caractéristiques suivantes distinguent ce produit :
- Alternative à la RT90 de Berma
- Couple 900 Nm
- Rapport de réduction : 3,1:1
- Entrée : moteur hydraulique avec arbre de 25 mm,
- Bride SAE A (par exemple CPRM)
- Construction robuste en fonte
- Couple plus élevé avec un simple moteur gerotor
- Huile de transmission recommandée : SAE 80W-90, 1 litre
Dimensions:


Composant hydraulique pour l’intégration dans les systèmes hydrauliques
Tous nos produits hydrauliques sont neufs, inutilisés et de qualité OEM (sauf lorsqu’ils sont explicitement déclarés autrement). Si un article particulier n’est pas en stock n’hésitez pas à nous contacter. Nous allons immédiatement essayer de trouver une solution appropriée concernant vos spécifications. En outre, nous élargissons constamment notre gamme de produits pour vous offrir une grande variété de composants hydrauliques à des prix raisonnables.
Hydromot hydraulique - toujours un excellent choix à bas prix!
Avis des clients
Malheureusement, il n'y pas encore d'avis. Soyez le premier qui evalue ce produit.