- Vous n`avez pas encore de produits dans votre panier.
Page d'accueil » Moteurs hydrauliques » Hydromot moteurs à huile » CPM » Moteur hydraulique orbitaux CPM200CB
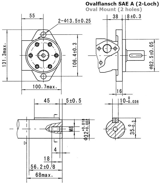
Moteur hydraulique orbitaux CPM200CB
Moteur Hydraulique CPM200CB
Ce moteur se caractérise par sa haute qualité et son prix raisonnable.Les caractéristiques de ce produit sont les suivantes :
- Moteur hydraulique orbitaux CPM200CB
- Cylindrée 200 cm3/tr
- Orifices: G 1/2‘‘
- Arbre: Ø 32 mm cylindrique avec clavette A8 x 7 x 28
- Modèle distributeur longitudinal
- Bride ovale 2 trous
- Joint renforcé - 150 bar
- Clapet anti-retour
- Possibilité d'utilisation sans drain
- Qualité OEM
- Idéal pour les espaces d'installation étroits
- CPM200CB
- Hydrauliknord | 610-L201 | GMP200
Données techniques:
| Type | CPM36 | CPM50 | CPM80 | CPM100 | CPM125 | CPM160 | CPM200 | CPM250 | CPM315 | CPM400 |
| Cylindrée [cm3/tr] | 36 | 51.7 | 77.7 | 96.2 | 117.2 | 155.5 | 189.9 | 231 | 311.7 | 386.2 |
| Vitesse.max [tr/min] | 1500 | 1180 | 760 | 600 | 485 | 380 | 302 | 240 | 190 | 150 |
| Couple. max [daNm] | 5.5 | 9.3 | 14.9 | 19 | 23.4 | 31 | 35.9 | 35.1 | 34.2 | 34.8 |
| Puissance max[kW] | 8 | 10.2 | 10.1 | 10.3 | 10 | 10 | 9.6 | 7.4 | 5.6 | 4.6 |
| Chute de pression. max [bar] | 125 | 140 | 140 | 140 | 140 | 140 | 135 | 105 | 80 |
Avis des clients
Malheureusement, il n'y pas encore d'avis. Soyez le premier qui evalue ce produit.