- Vous n`avez pas encore de produits dans votre panier.
Page d'accueil » Moteurs hydrauliques » Hydromot moteurs à huile » CPRM » Moteur hydraulique orbitaux CPRM250COD
Moteur hydraulique orbitaux CPRM250COD
Moteurs hydraulique orbitaux CPRM250COD
Ce moteur se caractérise par sa haute qualité et son prix raisonnable.Les caractéristiques de ce produit sont les suivantes :
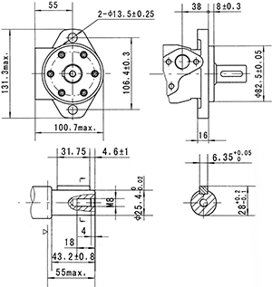
- Moteur hydraulique orbitaux CPRM250COD
- Cylindrée 250 cm3/tr
- Orifices: G 1/2‘‘
- Arbre: Ø 1’’ (25.4 mm) Cylindrique avec Clavette
- Modèle distributeur longitudinal
- Bride SAE A 2 trous
- Joint renforcé - 150 bar
- Clapet anti-retour
- Possibilité d'utilisation sans drain
- Qualité OEM idéal pour les espaces d'installation étroits
Données techniques:
| Type | CPRM36 | CPRM50 | CPRM80 | CPRM100 | CPRM125 | CPRM160 | CPRM200 | CPRM250 | CPRM315 | CPRM400 |
| Cylindrée[cm3/tr] | 36 | 51.7 | 81.5 | 102 | 127.2 | 157.2 | 194.5 | 253.3 | 317.5 | 381.4 |
| Vitesse max [tr/min] | 1085 | 960 | 760 | 600 | 485 | 380 | 310 | 240 | 190 | 155 |
| Couple max [daNm] | 7.2 | 10 | 19.5 | 24 | 30 | 36 | 36 | 39 | 339 | 36.5 |
| Puissance max [kW] | 8.5 | 9.5 | 12.5 | 13 | 12.5 | 12.5 | 10 | 7 | 6 | 5 |
| chute de pression max [bar] | 140 | 140 | 140 | 140 | 140 | 140 | 130 | 110 | 90 | 70 |
Avis des clients
Malheureusement, il n'y pas encore d'avis. Soyez le premier qui evalue ce produit.