- Vous n`avez pas encore de produits dans votre panier.
Page d'accueil » Moteurs hydrauliques » Hydromot moteurs à huile » CPRM » Moteur hydraulique orbitaux CPRMF200CB
Moteur hydraulique orbitaux CPRMF200CB
Moteurs hydraulique orbitaux CPRMF200CB
Ce moteur se caractérise par sa haute qualité et son prix raisonnable.Les caractéristiques de ce produit sont les suivantes :
- Moteur hydraulique orbitaux CPRMF200CB
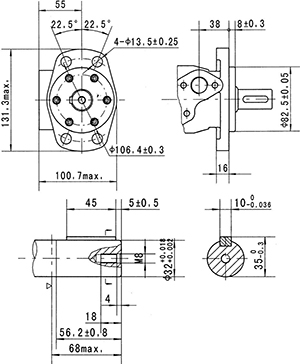
- Cylindrée 200 cm3/tr
- Orifices: G 1/2‘‘
- Arbre: Ø 32 mm Cylindrique avec Clavette A10 x 8 x 45
- Modèle distributeur longitudinal
- Bride Ovale, 4 Trous (Bride Magneto)
- Joint renforcé - 150 bar
- Clapet anti-retour
- Possibilité d'utilisation sans drain
- Qualité OEM idéal pour les espaces d'installation étroits
- Danfoss, 151-6005, OMR 200 M. 32MM-WELLE, A-4-FL
- Hydrauliknord, 620-L206, GMR 200
Données techniques:
| Type | CPRM36 | CPRM50 | CPRM80 | CPRM100 | CPRM125 | CPRM160 | CPRM200 | CPRM250 | CPRM315 | CPRM400 |
| Cylindrée [cm3/tr] | 36 | 51.7 | 81.5 | 102 | 127.2 | 157.2 | 194.5 | 253.3 | 317.5 | 381.4 |
| Vitesse max [tr/min] | 1250 | 960 | 760 | 600 | 485 | 378 | 310 | 240 | 190 | 155 |
| Couple max [daNm] | 7.2 | 10 | 19.5 | 24 | 30 | 38 | 45 | 54 | 55 | 58 |
| Puissance max [kW] | 8.5 | 9.5 | 12.5 | 13 | 12.5 | 12.5 | 11 | 10 | 9 | 7.5 |
| Chute de pression max[bar] | 140 | 140 | 140 | 140 | 140 | 140 | 140 | 140 | 135 |
Avis des clients
Malheureusement, il n'y pas encore d'avis. Soyez le premier qui evalue ce produit.