- Vous n`avez pas encore de produits dans votre panier.
Page d'accueil » Unités hydrauliques » Unités hydrauliques compactes » HYDROMOT Groupe hydraulique, 2,2kW, 400 V, réservoir rond de 10 l (acier), pompe à engrenages de 5,8 cm3/tr, pour 3 utilisateurs à double effet
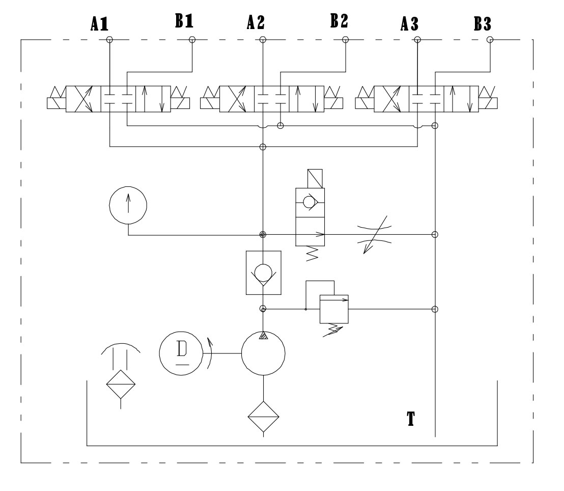
HYDROMOT Groupe hydraulique, 2,2kW, 400 V, réservoir rond de 10 l (acier), pompe à engrenages de 5,8 cm3/tr, pour 3 utilisateurs à double effet
Groupe hydraulique, 2,2kW, 400 V, réservoir rond de 10 l (acier), pompe à engrenages de 5,8 cm3/tr, pour 3 utilisateurs à double effet
Ce groupe hydraulique impressionne par sa qualité et son prix avantageux.Les caractéristiques suivantes distinguent ce groupe hydraulique :
- Pompe à engrenages 5.8 cm3/tr (résultat : environ 8.7 l/min)
- Pression de service max. : DBV réglé à 160 bar
- Réservoir hydraulique (acier) 10 litres
- Position de montage horizontale
- Filtre d'aspiration
- Avec manomètre 0-250 bar
- Avec 3 pièces 4/3 valves de contrôle directionnel (24 V) pour les consommateurs à double effet
- Moteur électrique : moteur électrique triphasé, 400, 50Hz, 2.2 kW, B14
Schéma :

Abmessungen:

Hydraulik-Komponente zur Integration in hydraulische Systeme
Alle unsere Hydraulik-Produkte sind Neuware in Erstausrüsterqualität (außer wenn explizit anders angegeben). Sollte einmal ein gewünschter Artikel nicht vorrätig oder aufgeführt sein, so nehmen Sie gerne Kontakt mit uns auf. Wir werden dann umgehend versuchen, eine entsprechende Lösung nach Ihren Vorgaben zu finden. Darüber hinaus bauen wir unser Sortiment kontinuierlich weiter aus, um Ihnen eine große Auswahl an Hydraulik-Komponenten zu günstigen Preisen bieten zu können. Hydromot Hydraulik – immer günstig, immer gut!
Avis des clients
Malheureusement, il n'y pas encore d'avis. Soyez le premier qui evalue ce produit.