- Vous n`avez pas encore de produits dans votre panier.
Page d'accueil » Valve de Centrage pour le moteur hydraulique CPM et CPRM avec orifice de débrayage des Freins
Valve de Centrage pour le moteur hydraulique CPM et CPRM avec orifice de débrayage des Freins
Cette soupape de frein verticale impressionne par sa haute qualité et son prix bas.
Les caractéristiques suivantes distinguent ce produit :
Les caractéristiques suivantes distinguent ce produit :
- Valve de Centrage à double action pour moteur hydraulique CPM et CPRM
- Avec Orifice de Débrayage des Freins.
- Flux de volume: 50 l/min
- Pression de fonctionnement Max: 350 bar
- Connexions: G 1/2''
- Rapport Pilote: 1:4.5
- Réglage de pression: 320 bar
Schéma:
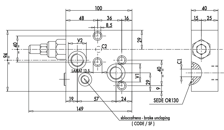
Dimensions;
Composant hydraulique pour l’intégration dans les systèmes hydrauliques
Tous nos produits hydrauliques sont neufs, inutilisés et de qualité OEM (sauf lorsqu’ils sont explicitement déclarés autrement). Si un article particulier n’est pas en stock n’hésitez pas à nous contacter. Nous allons immédiatement essayer de trouver une solution appropriée concernant vos spécifications. En outre, nous élargissons constamment notre gamme de produits pour vous offrir une grande variété de composants hydrauliques à des prix raisonnables.
Avis des clients
Malheureusement, il n'y pas encore d'avis. Soyez le premier qui evalue ce produit.