- Vous n`avez pas encore de produits dans votre panier.
Page d'accueil » Valves » Vannes de régulation de débit, de pression et d’arrêt » Vanne à action rapide/différentielle, pipeline » Vanne à action rapide/différentielle, pipeline, 160 l/min, G3/4"
Vanne à action rapide/différentielle, pipeline, 160 l/min, G3/4"
Vanne à action rapide/différentielle, pipeline, 160 l/min, G3/4"
Ce rapide/différentielle vanne impressionne par sa haute qualité et son bas prix.Les caractéristiques suivantes distinguent ce produit :
- rapide/différentielle vanne pour la conception de tuyauterie
- Flux de volume: 160 l/min
- Pression de fonctionnement Max: 350 bar
- Connexions: G 3/4''
- Gamme d’ajustement: 60 bar - 350 bar
- rec. Finesse du filtre : 30 microns
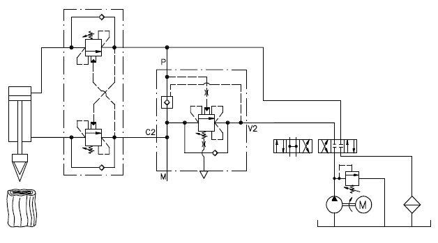
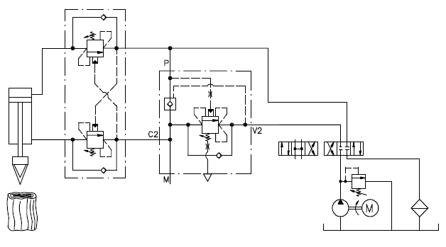
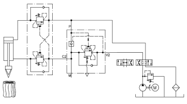
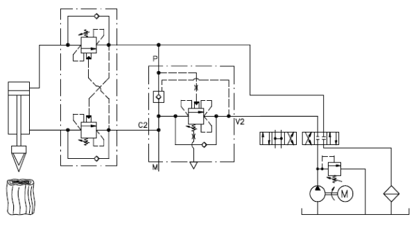
Cette valve est utilisée pour l'extension rapide de la tige du cylindre.
Les applications typiques sont par exemple les petites presses, les fendeuses de bûches.
La pression de coupure de la fonction de déplacement rapide peut être réglée au moyen de la soupape de surpression intégrée.
Schéma:


Dimensions:
Composant hydraulique pour l’intégration dans les systèmes hydrauliques
Tous nos produits hydrauliques sont neufs, inutilisés et de qualité OEM (sauf lorsqu’ils sont explicitement déclarés autrement). Si un article particulier n’est pas en stock n’hésitez pas à nous contacter. Nous allons immédiatement essayer de trouver une solution appropriée concernant vos spécifications. En outre, nous élargissons constamment notre gamme de produits pour vous offrir une grande variété de composants hydrauliques à des prix raisonnables.
Hydromot hydraulique - toujours un excellent choix à bas prix!
Avis des clients
Malheureusement, il n'y pas encore d'avis. Soyez le premier qui evalue ce produit.