- You do not have any products in your shopping cart yet.
Hydraulic Motor CPRMF250CD
Motor (Hydraulic) CPRMF250CD
This motor is characterised by its high quality and its reasonable price.This product’s features are as follows:
- hydraulic motor CPRMF250CD
- displacement: 250 ccm/REV
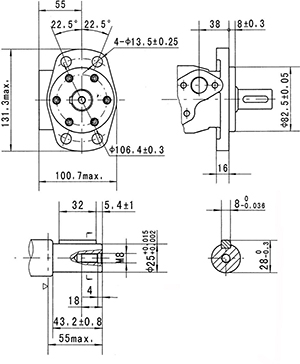
- ports: G 1/2’’
- shaft: Ø 25 mm cylindrical with key A8 x 7 x 28
- 4-hole oval flange (magneto flange)
- spool valve type
- internal check valve
- incl. high pressure seal up to 150 bar
- usage without drain line possible
- OEM quality
- optimized for small spaces

Technical data:
| Type | CPRM36 | CPRM50 | CPRM80 | CPRM100 | CPRM125 | CPRM160 | CPRM200 | CPRM250 | CPRM315 | CPRM400 |
| Displacement [ccm/U] | 36 | 51.7 | 81.5 | 102 | 127.2 | 157.2 | 194.5 | 253.3 | 317.5 | 381.4 |
| max. Speed [Rev/min] | 1085 | 960 | 760 | 600 | 485 | 380 | 310 | 240 | 190 | 155 |
| max. Torque [daNm] | 7.2 | 10 | 19.5 | 24 | 30 | 36 | 36 | 39 | 339 | 36.5 |
| max. Power [kW] | 8.5 | 9.5 | 12.5 | 13 | 12.5 | 12.5 | 10 | 7 | 6 | 5 |
| max. Pressure drop [bar] | 140 | 140 | 140 | 140 | 140 | 140 | 130 | 110 | 90 | 70 |
Customer reviews
Unfortunately there are no reviews yet. Be the first who rates this product.