- You do not have any products in your shopping cart yet.
Hydraulic Motor Minimotor CPMM20SH
Motor (Hydraulic) CPMM20SH
This motor is characterised by its high quality and its reasonable price.This product’s features are as follows:
- hydraulic motor CPMM20SH
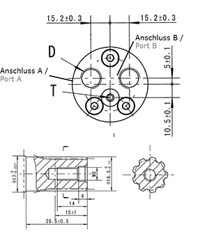
- displacement: 20 ccm/REV
- rear ports: G 3/8’’
- shaft: Ø 16.5 mm splined B17 x 14
- spool valve type
- internal check valve
- usage without drain line possible
- OEM quality
- optimized for small spaces
Our CPMM20SH motors are interchangeable to the following manufacturers:
- CPMM20SH
- OMM 20 M. VK- Welle
- Danfoss
- 151G0025
Technical data:
| Type | CPMM8 | CPMM12.5 | CPMM20 | CPMM32 | CPMM40 | CPMM50 |
| Displacement [ccm/REV] | 8.2 | 12.9 | 19.9 | 31.6 | 39.8 | 50.3 |
| max. Speed [REV/min] | 1950 | 1550 | 1000 | 630 | 500 | 400 |
| max. Torque [daNm] | 1.1 | 1.6 | 2.5 | 4 | 4.5 | 4.6 |
| max. Power [kW] | 1.8 | 2.4 | 2.4 | 2.4 | 2.2 | 1.8 |
| max. Pressure drop [bar] | 100 | 100 | 100 | 100 | 90 | 70 |
| max. Oil flow [l/min] | 16 | 20 | 20 | 20 | 20 | 20 |
| max. Input pressure [bar] | 175 | 175 | 175 | 175 | 175 | 175 |
CPMM available flange and shaft versions:
| Code | Port type | | Code | Shaft version |
| Omit | Rear port 3/8 inch | | C | Ø16 mm cylindrical with key 5 x 5 x 16 |
| S | Side port 3/8 inch | | CO | Ø15.8 mm (5/8 inch) cylindrical with key |
| | | | SH | Ø16.5 mm splined B17 x 14 |
Catalogue download:
Hydraulic component for integration in hydraulic systems
All our hydraulic products are new, unused and in OEM quality (except when explicitly declared otherwise). Should a particular item not be in stock or not be represented here, please don’t hesitate to contact us. We will immediately try to find an appropriate solution pertaining to your given specifications. Moreover, we are constantly expanding our product range to offer you a wide variety of hydraulic components at reasonable prices. Hydromot hydraulics – always an excellent choice at low prices!Customer reviews
Unfortunately there are no reviews yet. Be the first who rates this product.
