- You do not have any products in your shopping cart yet.
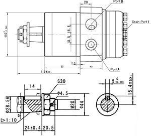
Hydraulic motor CPMW160KD
Motor (Hydraulic) CPMW160KD
This motor is characterised by its high quality and its reasonable price.This product’s features are as follows:
- hydraulic motor CPMW160KD
- displacement: 160 ccm/REV
- ports: G 1/2’’
- shaft: conical 1:10 with key B5 x 5 x 14
- wheel flange
- spool valve type
- internal check valve
- incl. high pressure seal up to 150 bar
- usage without drain line possible
- OEM quality
- optimized for small spaces

Technical data:
| Type | CPM36 | CPM50 | CPM80 | CPM100 | CPM125 | CPM160 | CPM200 | CPM250 | CPM315 | CPM400 |
| Displacement [ccm/REV] | 36 | 51.7 | 77.7 | 96.2 | 117.2 | 155.5 | 189.9 | 231 | 311.7 | 386.2 |
| max. Speed [U/min] | 1500 | 1180 | 760 | 600 | 485 | 380 | 302 | 240 | 190 | 150 |
| max. Torque[daNm] | 5.5 | 9.3 | 14.9 | 19 | 23.4 | 31 | 35.9 | 35.1 | 34.2 | 34.8 |
| max. Power[kW] | 8 | 10.2 | 10.1 | 10.3 | 10 | 10 | 9.6 | 7.4 | 5.6 | 4.6 |
| max. Pressure drop [bar] | 125 | 140 | 140 | 140 | 140 | 140 | 135 | 105 | 80 | 65 |
Customer reviews
Unfortunately there are no reviews yet. Be the first who rates this product.