- You do not have any products in your shopping cart yet.
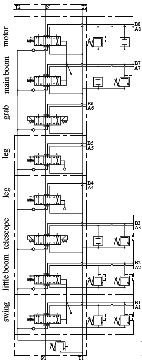
Sectional valve 80 l/min, 8 sections, double acting, with manual and electrical control
Sectional valve 80 l/min, 8 sections, double acting, with manual and electrical control
This lever valve is characterised by its high quality and reasonable price.Its features are as follows:
- Sectional Valve
- 80 l/min
- 8 sections
- Connections A-B G1/2
- P-T G3/4" connections
- max. working pressure: P=250Bar
- max. working pressure: A+B=300Bar
- double acting
- with manual and electrical control
Hydraulic scheme:

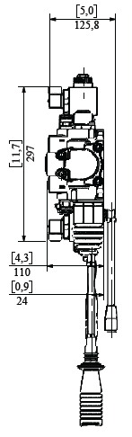
Dimensions:


Mounting instructions:
- Assemble the valves on a flat surface to avoid problems caused by deformation
- Before painting, please close the connection ports with aplastic plug
- For cleaning please do not use high-pressure cleaners.
Hydraulic component for integration in hydraulic systems
All our hydraulic products are new, unused and in OEM quality (except when explicitly declared otherwise). Should a particular item not be in stock or not be represented here, please don’t hesitate to contact us. We will immediately try to find an appropriate solution pertaining to your given specifications. Moreover, we are constantly expanding our product range to offer you a wide variety of hydraulic components at reasonable prices. Hydromot hydraulics – always an excellent choice at low prices!Customer reviews
Unfortunately there are no reviews yet. Be the first who rates this product.