- You do not have any products in your shopping cart yet.
Main page » Hydraulic power units » Hydraulic compact power units » HYDRONIT Hydraulic Power Pack, compact power pack DC motor, with 4/3 way valves for 3 double acting users
HYDRONIT Hydraulic Power Pack, compact power pack DC motor, with 4/3 way valves for 3 double acting users
Hydraulic Power Pack, compact power pack, DC motor, with 4/3 way valves for 3 double acting users
This hydraulic power pack is characterised by its high quality and its reasonable price.The hydraulic power pack has the following features:
- DC electric motor, 24VDC, power selectable, 3 kW or 4 kW, with start relais and thermal protection
- Gear pump selectable 1.6 ccm/REV up to 6 ccm/REV
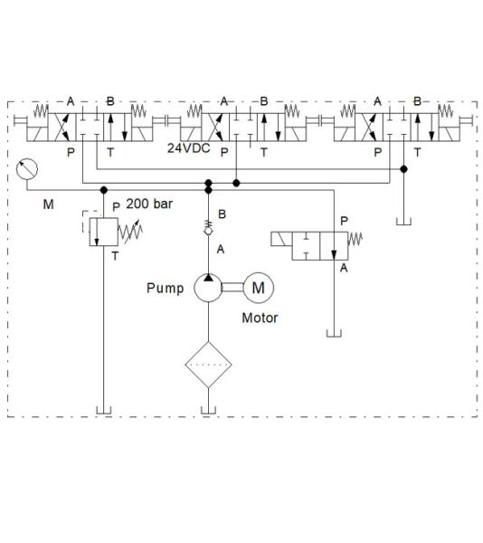
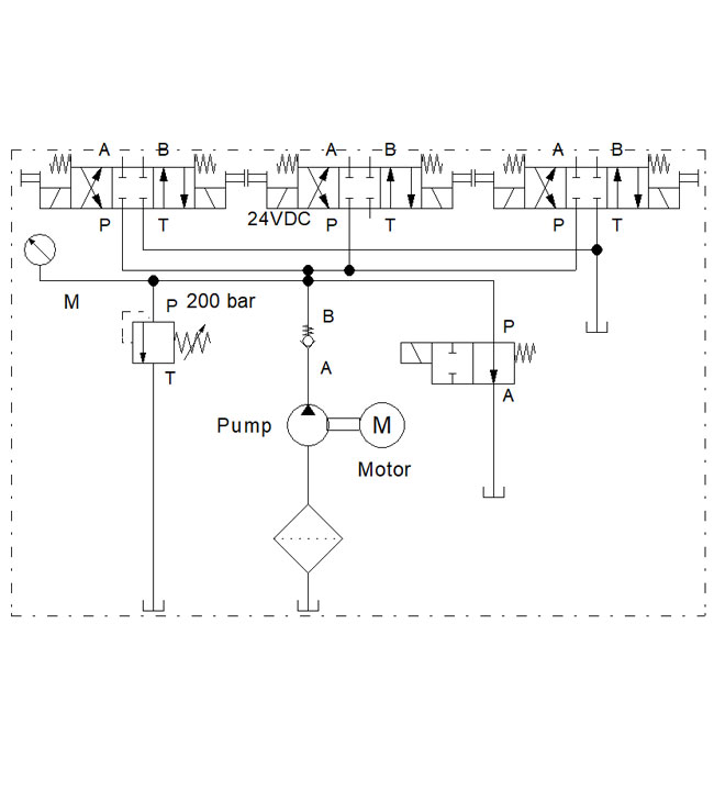
- 2/2 way solenoid valve, normally open, 24 Volt
- Integrated pressure relief valve, adjusted to max. allowed pressure
- Steel oil tank with integrated filler and breather and drain plug, square tanks with oil level indicator
- Selectable tank size: 5, 10 or 12 liter (round tank) 20 or 30 liter (square tank)
- Horizontal installation with foot mounting for round tank, vertical installation for square tank
- Pressure gauge 250 bar
- Integrated return filter on square tanks
- Oil ports: P and T with 1/4"
- 3 pcs. 4/3-way solenoid valve 24 VDC with A-B-P-T closed for 3 double acting users
- Made in Europe
Hydraulic scheme:

Technical data:
| Motor type | Pump size [ccm/REV] | Flow rate [l/min] | Max. pressure [bar] |
| 3 KW 24VDC | 1,6 | 4,2 | 250 |
| 2,1 | 5,5 | 250 | |
| 2,6 | 6,8 | 200 | |
| 3,2 | 8,3 | 200 | |
| 4,2 | 10,9 | 140 | |
| 4,9 | 12,7 | 120 | |
| 4 kW 24VDC | 1,6 | 5,6 | 250 |
| 2,1 | 7,4 | 250 | |
| 2,6 | 9,1 | 240 | |
| 3,2 | 11,2 | 190 | |
| 4,2 | 14,7 | 150 | |
| 4,9 | 17,2 | 125 | |
| 6 | 21,0 | 100 |
Please refer to the tab "Important information". There you will find further information on duty cycle, dimensions, etc.
We can supply our hydraulic power packs with a wide variety of circuit diagrams. If you need specific functions, please contact us. We will be happy to help you.
Hydraulic component for integration in hydraulic systems
All our hydraulic products are new, unused and in OEM quality (except when explicitly declared otherwise). Should a particular item not be in stock or not be represented here, please don’t hesitate to contact us. We will immediately try to find an appropriate solution pertaining to your given specifications. Moreover, we are constantly expanding our product range to offer you a wide variety of hydraulic components at reasonable prices. Hydromot hydraulics – always an excellent choice at low prices!
For DC hydraulic units, the maximum duty cycle is important. This depends on the selected hydraulic pump and the pressure setting. The respective duty cycle can be read from the following diagrams:
For 3 kW power pack:

For 4 kW power pack:

Dimension electrical motor:

Dimension round tank:

Dimension square tank:

For 3 kW power pack:

For 4 kW power pack:

Dimension electrical motor:

Dimension round tank:

| Tank | L (mm) | ØD [mm] |
| 5 l Round tank | 300 | 180 |
| 10 l Round tank | 262 | 220 |
| 12 l Round tank | 380 | 220 |
Dimension square tank:

| Tank | A (mm) |
| 20 l Square tank | 293 |
| 30 l Square tank | 423 |
Customer reviews
Unfortunately there are no reviews yet. Be the first who rates this product.