- You do not have any products in your shopping cart yet.
Solenoid Valve, Cetop 3, 2B2BL
This solenoid valve is characterised by ist high quality and ist reasonable price.This products features are as follows:
- 4/2-way solenoid valve
- direct controlled
- for modular assembly
- max. pressure: 315 bar
- spool voltage: 12V DC, 24V DC or 230V AC
- Qmax.: see diagram in our catalogue
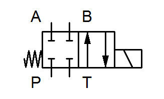
Scheme:
Technical data:
| Type | CETOP03 (NG06) | ||
| Working pressure (bar) | Ports A,B,P | 315 | |
| Working pressure (bar) | Port T | 100 | |
| Max oil flow (l/min) | 80 | ||
| Fluid tempreture (°C) | -20 bis 70 | ||
| Viscosity (mm2/s) | -2.8 bis 100 | ||
| Voltages | DC AC | 12V 24V 110V/50Hz 220V/Hz | |
| Max switching frequency (1/h) | DC AC | 15000 7200 | |
| Isolation degree | IP65 | ||
| Weight (Kg) | DC | AC | |
| Single solenoid | 1.45 | 1.4 | |
| Double solenoid | 1.95 | 1.9 | |
Dimensions:

Hydraulic component for integration in hydraulic systems All our hydraulic products are new, unused and in OEM quality (except when explicitly declared otherwise). Should a particular item not be in stock or not be represented here, please don’t hesitate to contact us. We will immediately try to find an appropriate solution pertaining to your given specifications. Moreover, we are constantly expanding our product range to offer you a wide variety of hydraulic components at reasonable prices. Hydromot hydraulics – always an excellent choice at low prices!
Customer reviews
Unfortunately there are no reviews yet. Be the first who rates this product.
