Current filter
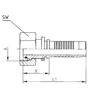
JIC threaded adapter, 74 ° cone with union nut, UN / UNF thread
A: 1 1/16"-12 UN
L1: 66,9 mm
DN19 / Size 12 / 3/4"
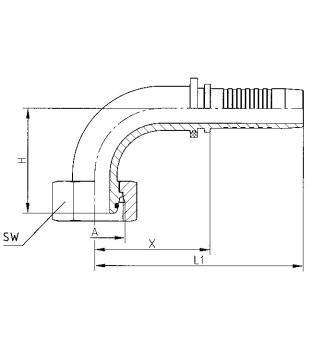
JIC threaded adapter, 74 ° cone with union nut, 45° elbow, UN / UNF thread
A: 1 5/16"-12 UN
X: 84,0 mm
L1: 128,3 mm
H: 28,0 mm (+/- 2,5 mm)
SW: 41
X: 50,0 mm
L1: 94,3 mm
H: 51,0 mm (+/- 2,5 mm)
SW: 32
Sealing cone with O-ring according to DIN 3865 (suitable for cone 24° DIN 3901 and 3902), union nut, light series
A: M30x2,0
R: 22L
X: 34,5 mm
L1: 73,0 mm
SW: 36
DN16 / Size 10 / 5/8"
Sealing cone 45° with O-ring according to DIN 3865 (suitable for cone 24° DIN 3901 and 3902), union nut, light series
X: 72,5 mm
L1: 111,0 mm
Sealing cone 90° with O-ring according to DIN 3865 (suitable for cone 24° DIN 3901 and 3902), union nut, light series
X: 62,5 mm
L1: 101,0 mm
Sealing cone with O-ring according to DIN 3865 (suitable for cone 24° DIN 3901 and 3902), union nut, heavy series
A: M36x2,0
R: 25S
X: 32,5 mm
L1: 71,0 mm
SW: 46
Sealing cone 90° with O-ring according to DIN 3865 (suitable for cone 24° DIN 3901 and 3902), union nut, heavy series
Sealing cone 45° with O-ring according to DIN 3865 (suitable for cone 24° DIN 3901 and 3902), union nut, heavy series
X: 64,0 mm
L1: 111,5 mm
BSP sealing head, 60° cone union with BSP thread
A: G 1/2"
L1: 68,3 mm
DN19 / Size 12 / 1/2"
BSP sealing head 90°, 60° cone union with BSP thread
A: G 1 1/4"
L1: 152,0 mm
DN31 / Size 20 / 1 1/4"
BSP sealing head 45°, 60° cone union with BSP thread
L1: 165,0 mm
Flange head SAE J514 (ISO 6162) standard series 3000 PSI
Flange size: 1 1/2"
D: 60,3 mm
X: 52,5 mm
L1: 112,5 mm
Flange head SAE J514 (ISO 6162) standard series 3000 PSI, elbow 45°
Flange size: 2"
D: 71,4 mm
X: 130,4 mm
L1: 197,9 mm
H: 60,9 mm (+/- 2,5 mm)
DN38 / Size 24 / 1 1/2"
Flange head SAE J514 (ISO 6162) standard series 3000 PSI, elbow 90°
Flange size: 1 1/4"
D: 50,8 mm
X: 94,0 mm
L1: 161,5 mm
H: 86,5 mm (+/- 2,5 mm)
Flange head SAE J514 (ISO 6162) high pressure series 6000 PSI
D: 63,5 mm
X: 72,3 mm
L1: 140,0 mm
{{.}}
{{{.}}}