- You do not have any products in your shopping cart yet.
Main page » Valves » Solenoid valves » Hydraulic Manifolds » Valve block, control block, CETOP 3, 3C2, 24 Volt, for 3 users
Valve block, control block, CETOP 3, 3C2, 24 Volt, for 3 users
Valve block, control block, CETOP 3, 3C2, 24 Volt, for 3 users
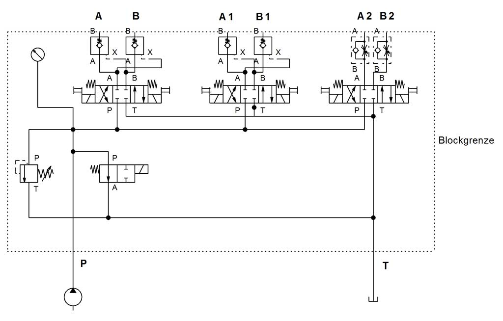
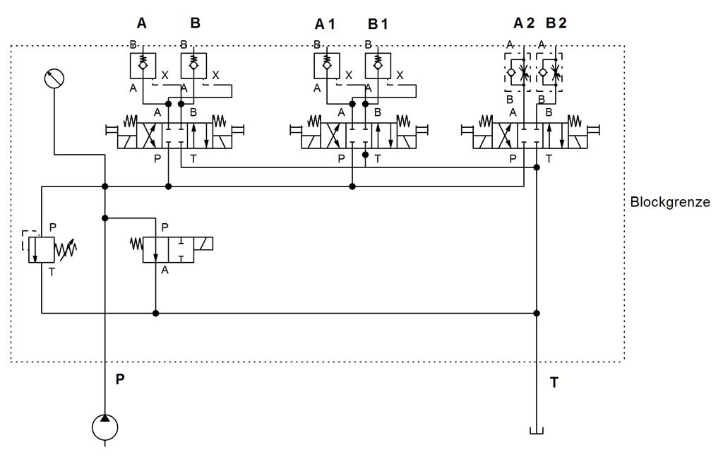
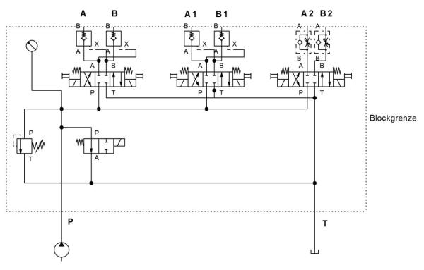
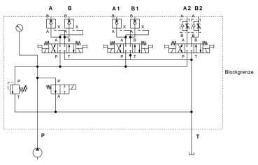
This solenoid valve is characterised by ist high quality and ist reasonable price.This valve block, control block is build from the following components:
- 1 pc. 3-stage manifold CETOP 3, Aluminium with 2/2 way valve for pressureless cuircuit and integrated pressure relief valve
- 3 pcs. 4/3 way valve CETOP3 type 3C2, 24 Volt
- 2 pcs. releasable check valve, intermediate plate, in A and B
- 1 pc. adjustable throttle check valve, intermediate plate in A and B
- Manometer 250 bar incl. fitting
Hydraulic scheme of the valve block:

You will find the technical documentation of the used components in our catalogues or in our webshop.
On customer request we manufacture hydraulic control units in block design. Customised control units are available as individual pieces or in series. We're looking forward to your request!
Hydraulic component for integration in hydraulic systems
All our hydraulic products are new, unused and in OEM quality (except when explicitly declared otherwise). Should a particular item not be in stock or not be represented here, please don’t hesitate to contact us. We will immediately try to find an appropriate solution pertaining to your given specifications. Moreover, we are constantly expanding our product range to offer you a wide variety of hydraulic components at reasonable prices. Hydromot hydraulics – always an excellent choice at low prices!
Customer reviews
Unfortunately there are no reviews yet. Be the first who rates this product.