Current filter
Flange head SAE J514 (ISO 6162) standard series 3000 PSI
Flange size: 1 1/4"
D: 50,8 mm
X: 46,0 mm
L1: 92,0 mm
DN19 / Size 12 / 3/4"
Flange head SAE J514 (ISO 6162) standard series 3000 PSI, elbow 45°
Flange size: 1 1/2"
D: 60,3 mm
X: 81,5 mm
L1: 136,5 mm
H: 32,0 mm (+/- 2,5 mm)
DN25 / Size 16 / 1"
Flange head SAE J514 (ISO 6162) standard series 3000 PSI, elbow 90°
Flange size: 1"
D: 44,5 mm
X: 70,5 mm
L1: 125,0 mm
H: 72,0 mm (+/- 2,5 mm)
Flange head SAE J514 (ISO 6162) high pressure series 6000 PSI
Flange size: 3/4"
D: 41,3 mm
X: 62,0 mm
L1: 117,0 mm
Flange head SAE J514 (ISO 6162) high pressure series 6000 PSI, elbow 45°
D: 47,6 mm
X: 83,5 mm
L1: 138,5 mm
H: 36,0 mm (+/- 2,5 mm)
Flange head SAE J514 (ISO 6162) high pressure series 6000 PSI, elbow 90°
L1: 125,5 mm
H: 73,0 mm (+/- 2,5 mm)
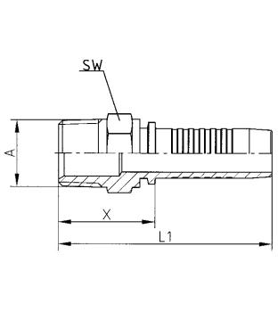
ORFS Sealing form, with union nut, UN / UNF / UNS-Thread
A: 1 3/16"-12 UN
X: 33,0 mm
L1: 77,3 mm
SW: 36
ORFS Sealing form, with union nut, 90° elbow, UN / UNF / UNS-Thread
A: 1 7/16"-16 UN
X: 72,0 mm
L1: 126,3 mm
H: 63,0 mm (+/- 2,5 mm)
SW: 41
Swage ferrule, non skive for 1SN, 2SN and 2SC
Material: Free cutting steel
D: 46,6 mm
D1: 55,8 mm
D2: 65,0 mm
L: 73,0 mm
DN38 / Size 24 / 1 1/2"
Banjo coupling, metric
A: 16,1 mm
X: 26,9 mm
L1: 57,4 mm
K: 28,0 mm
DN10 / Size 6 / 3/8"
JIC threaded adapter, 74 ° cone with UN / UNF thread
A: 7/8"-14 UNF
L1: 68,4 mm
Threaded adapter with conical NPTF thread
A: 1/2"-14 NPTF
L1: 67,6 mm
DN12 / Size 8 / 1/2"
BSP threaded adapter, 60° cone with BSP male thread
A: G 3/4"
L1: 66,8 mm
Threaded stem with bore form W (24 °) according to DIN 3861, light series
A: M18x1,5
R: 12L
X: 26,5 mm
L1: 62,0 mm
SW: 19
Threaded stem with bore form W (24 °) according to DIN 3861, heavy series
A: M30x2,0
R: 20S
X: 34,5 mm
L1: 70,0 mm
SW: 30
{{.}}
{{{.}}}