Hydraulikmotoren, Ölmotoren CPMM

Der CPMM Ölmotor ist ein kompakter und vielseitiger Motor mit Schieberventil und Gerotor-Satz, der sich ideal für Anwendungen mit begrenztem Platzangebot eignet. Mit seinem internen Rückschlagventil und der Möglichkeit des Betriebs ohne Leckölleitung bietet er maximale Flexibilität in der Installation und im Betrieb. Mehr erfahren...

CPMM Ölmotoren im Hydraulikshop kaufen

Filter
Schluckvolumen
Montageflansch
Abtriebswelle
Anschlüsse
Fehler beim Abrufen der verfügbaren Filterwerte!
1 bis 16 (von insgesamt 26)




 

Diese Gerotormotoren sind austauschbar zum OMM Hydraulikmotor von Sauer/Danfoss, der Eaton J-Serie, dem MM von M+S Hydraulik, der WM Serie von White und dem BGM von SAM Hydraulik.


CPMM-Serie Hydraulikmotoren – Häufig gestellte Fragen

Was sind die Hauptmerkmale der CPMM Hydraulikmotoren?

Die CPMM Hydraulikmotoren zeichnen sich durch ein Längsschieberventil mit Gerotor aus. Sie sind für kleine Bauräume optimiert und wahlweise mit oder ohne Flansch erhältlich. Ein integriertes Rückschlagventil ist vorhanden; Seiten- und Endanschlüsse sind verfügbar. Ein besonderes Merkmal ist die Möglichkeit, sie ohne Leckölanschluss zu verwenden.

Welche Modelle und Schluckvolumen sind bei den CPMM Hydraulikmotoren verfügbar?

Die CPMM-Serie umfasst sechs Modelle mit unterschiedlichen Schluckvolumen:

  • CPMM 8: 8,2 cm³/U
  • CPMM 12.5: 12,9 cm³/U
  • CPMM 20: 19,9 cm³/U
  • CPMM 32: 31,6 cm³/U
  • CPMM 40: 39,8 cm³/U
  • CPMM 50: 50,3 cm³/U

Diese Vielfalt ermöglicht die Auswahl des passenden Motors für verschiedene Leistungsanforderungen.

Was bedeuten die Begriffe "Dauerbetrieb", "Intermittierender Betrieb" und "Spitzenbetrieb" bei den Leistungsdaten?

Diese Begriffe beschreiben die zulässigen Betriebsbedingungen des Motors:

  • Dauerbetrieb (Cont.): Maximalwerte für den kontinuierlichen, überlastfreien Betrieb.
  • Intermittierender Betrieb (Int.(1)): Betrieb für maximal 6 Sekunden pro Minute; höhere Leistungs- und Druckwerte als im Dauerbetrieb sind zulässig.
  • Spitzenbetrieb (Peak (2)): Sehr kurze Spitzen bis maximal 0,6 Sekunden pro Minute mit nochmals höheren Werten.

Diese Klassifizierung ist entscheidend für die korrekte Dimensionierung des Motors für spezifische Anwendungen.

Welche Arten von Abtriebswellen sind für CPMM Hydraulikmotoren erhältlich und wie hoch ist ihr maximales Drehmoment?

Für die CPMM Hydraulikmotoren stehen drei Haupttypen von Abtriebswellen zur Verfügung:

  • C – Ø 16 mm zylindrisch mit Passfeder: max. Drehmoment 3,9 daNm
  • Co – Ø 15,8 mm (5/8") zylindrisch mit Passfeder: max. Drehmoment 3,9 daNm
  • SH – Ø 16,5 mm verzahnt: max. Drehmoment 4,4 daNm

Diese Auswahl bietet Flexibilität bei der Anpassung des Motors an verschiedene Antriebsanforderungen.

Wie wird die zulässige radiale Wellenbelastung bei CPMM Motoren bestimmt?

Die zulässige radiale Wellenbelastung wird aus dem Abstand "L" zwischen dem Kraftangriffspunkt und der Montagefläche des Flansches berechnet. Ein Diagramm im Datenblatt zeigt den zulässigen Radiallastverlauf bei L = 20 mm mit Werten für Prad (radiale Belastung) in Abhängigkeit von der Drehzahl.

Beispiel: Bei L = 20 mm und niedrigen Drehzahlen sind bis zu 160 daN zulässig.

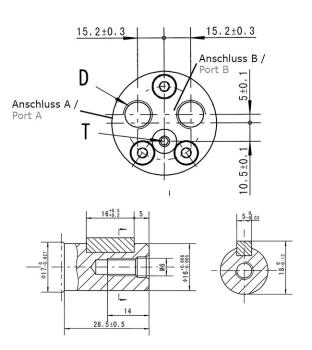
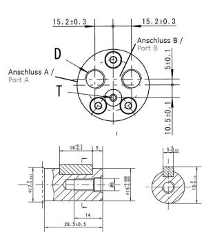
Welche Optionen gibt es bezüglich der Anschlüsse und Montageflansche?

Die CPMM Hydraulikmotoren bieten verschiedene Konfigurationsmöglichkeiten für Anschlüsse und Montage:

Montageflansch: Ohne Flansch ("Leer"), Rundflansch (3 Schrauben) oder Ovalflansch (2 Löcher)

Anschlusstyp: Rückanschlüsse (rear ports) oder Seitenanschlüsse (side ports)

Porting (Anschlussgewinde): Standard ohne Angabe, G 3/8" mit G 1/8" (T-Port) oder 9/16-18 UNF mit 3/8-24 UNF (T-Port)

Dies ermöglicht eine flexible Integration in verschiedene hydraulische Systeme.

Was sind die Vorteile der Leckölabfuhr und welche maximalen Rücklaufdrücke sind zulässig?

Die Leckölabfuhr aus dem Leckageraum bietet mehrere Vorteile:

  • Reinigung: Hält das Motorinnere sauber.
  • Kühlung: Führt Wärme ab und unterstützt die Temperaturregulierung.
  • Längere Dichtungshaltbarkeit: Schutz vor übermäßigem Druck und Verschleiß.

Zulässiger Rücklaufdruck (ohne Leckölleitung bzw. in der Leckölleitung) je nach Drehzahl:

  • 0–100 U/min: 140 bar
  • 100–300 U/min: 110 bar
  • 300–1000 U/min: 50 bar

Wie erfolgt die Drehrichtungsauswahl bei CPMM Hydraulikmotoren?

Die Standard-Drehrichtung ist rechtsdrehend (im Uhrzeigersinn), wenn Anschluss "A" druckbeaufschlagt wird. Umgekehrt dreht der Motor linksherum (gegen den Uhrzeigersinn), wenn Anschluss "B" druckbeaufschlagt wird. Bei der Bestellung kann auch eine umgekehrte Drehrichtung als Standard ausgewählt werden.
 

Meistverkaufte Produkte in dieser Kategorie