- Sie haben noch keine Artikel in Ihrem Warenkorb.
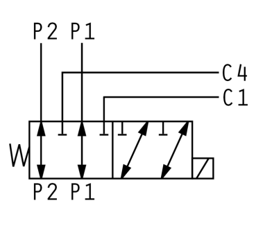
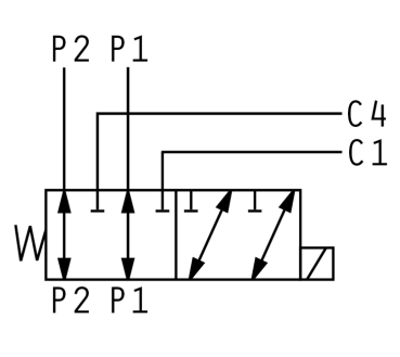
6/2 Wegeventil/Umschaltventil
Entdecken Sie unsere 6/2-Wege Magnetventile (Umschaltventile) für die effiziente Steuerung von Hydrauliksystemen – ideal, um mit einem Steuergerät zwei Verbraucher
abwechselnd zu bedienen. Unsere robusten Magnetventile aus Sphäroguss mit gehärteten Innenteilen überzeugen durch hohe Belastbarkeit,
vibrationsfeste Auslegung und zuverlässige Dichtungstechnik. Mehr erfahren...
abwechselnd zu bedienen. Unsere robusten Magnetventile aus Sphäroguss mit gehärteten Innenteilen überzeugen durch hohe Belastbarkeit,
vibrationsfeste Auslegung und zuverlässige Dichtungstechnik. Mehr erfahren...
1 bis 8 (von insgesamt 8)
Wählen Sie aus gängigen Anschlussgrößen wie G 3/8" und G 1/2" sowie Varianten mit 12 V oder 24 V Ansteuerung. Je nach Modell sind maximale Volumenströme von ca. 45–90 l/min und Arbeitsdrücke bis 210/250 bar verfügbar – passend für Land- und Baumaschinen, Kommunaltechnik, Forstwirtschaft und die industrielle Automatisierung.
Häufig gestellte Fragen (FAQ) zum 6/2-Wegeventil / Umschaltventil
Was genau ist ein 6/2-Wegeventil und wie funktioniert es?
Ein 6/2-Wegeventil, auch als Umschaltventil bekannt, ist ein grundlegendes Steuerungselement in hydraulischen und pneumatischen Systemen. Es besitzt zwei Schaltstellungen und sechs Anschlüsse. Seine Hauptfunktion besteht darin, den Volumenstrom zwischen zwei Verbrauchern umzuleiten. Durch die Umschaltung kann ein Hydraulikkreis flexibel auf zwei separate Abnehmer geschaltet werden – ideal, um mit nur einem Steuergerät zwei unabhängige Funktionen nacheinander zu bedienen.
Welche typischen technischen Leistungsdaten weisen Ventile von Hydromot auf?
Typische technische Kennwerte sind:
- Anschlussgrößen: G 3/8", G 1/2"
- Max. Volumenstrom: bis 90 l/min
- Max. Betriebsdruck: bis zu 250 bar
Aus welchen Materialien bestehen 6/2-Wegeventile und welche Vorteile bietet diese Materialwahl?
Das Gehäuse besteht in der Regel aus hochfestem Sphäroguss, die Innenteile aus gehärtetem Stahl und die Dichtungen aus NBR-Kautschuk. Diese Materialkombination bietet:
- Hohe Belastbarkeit und Druckfestigkeit
- Beständigkeit gegen Vibrationen und Verschleiß
- Lange Lebensdauer auch bei anspruchsvollen Einsatzbedingungen
Welche zentralen Vorteile bieten 6/2-Wegeventile im Einsatz?
6/2-Wegeventile bieten eine Reihe von Vorteilen:
- Platz- und Kostenersparnis, da nur ein Steuergerät benötigt wird
- Schnelle Umschaltung (elektrisch)
- Weniger Fehlerquellen durch reduzierte Komponentenanzahl
- Robuste Ausführung für hohe Drücke und raue Einsatzbedingungen
In welchen Anwendungsbereichen werden 6/2-Wegeventile primär genutzt?
6/2-Wegeventile werden überwiegend in hydraulischen Anlagen eingesetzt, um mehrere Verbraucher (z. B. Zylinder oder Hydromotoren) abwechselnd zu steuern. Zu den Hauptanwendungsbereichen zählen:
- Landmaschinen und Baumaschinen
- Kommunaltechnik und mobile Arbeitsgeräte
- Forstwirtschaft und industrielle Automatisierung
Welche Kriterien sind bei der Auswahl eines passenden Ventils entscheidend?
Wichtige Auswahlkriterien sind:
- Maximaler Betriebsdruck und Volumenstrom passend zur Anlage
- Anschlussgröße abgestimmt auf vorhandene Leitungen
- Betätigungsart: elektrisch, mechanisch oder pneumatisch
- Beständigkeit gegen Medium, Temperatur und Umgebungsbedingungen
Welche Arten von 6/2-Wege-Magnetventilen bietet der Hydromot-Shop an?
Der Hydromot-Shop bietet direkt gesteuerte 6/2-Wege-Magnetventile, die weitgehend austauschbar mit Produkten führender Hersteller wie Bosch, Parker, Eaton oder Argo Hytos sind.
- Anschlussgrößen: 3/8" und 1/2"
- Max. Volumenstrom: 45 l/min bis 90 l/min
- Max. Arbeitsdruck: 210 bar oder 250 bar
- Spannungsoptionen: 12 V DC oder 24 V DC