- Sie haben noch keine Artikel in Ihrem Warenkorb.
Abschaltventile - beenden den Fluidzufluss zu Komponenten oder Systemen
Unsere Abschaltventile für Hydrauliksysteme unterbrechen den Ölfluss zuverlässig und schützen Ihre Anlage durch drucklosen Tankrücklauf beim Erreichen des
eingestellten Drucks. Dank der einfachen Flanschmontage sind viele Modelle mit den Hydraulikmotor-Serien CPM, CPRM und CPMS sowie mit weiteren Herstellern wie Danfoss, M+S, White, Eaton, SAM/Brewini oder Hydraulik Nord dieser Baureihen kompatibel. Mehr erfahren...
eingestellten Drucks. Dank der einfachen Flanschmontage sind viele Modelle mit den Hydraulikmotor-Serien CPM, CPRM und CPMS sowie mit weiteren Herstellern wie Danfoss, M+S, White, Eaton, SAM/Brewini oder Hydraulik Nord dieser Baureihen kompatibel. Mehr erfahren...
1 bis 3 (von insgesamt 3)
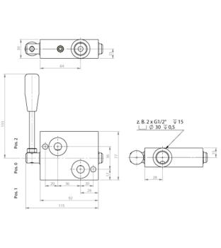
Einsatzbereiche sind u. a. Seilwinden, Landtechnik und Baumaschinen, überall dort, wo ein sicheres Abschalten des Hydraulikmotors gefordert ist. Die Ventile sind für Volumenströme bis 60 l/min und Betriebsdrücke bis 250 bar ausgelegt; gängige Anschlüsse: G 1/2''. Robuste Gehäuse aus Guss (GG25) oder hochwertigem Stahl sichern eine lange Lebensdauer; optional sind Modelle mit integriertem Durchflussregelventil verfügbar.
Hydraulische Abschaltventile – Häufig gestellte Fragen
Was ist die Hauptfunktion von Abschaltventilen in Hydrauliksystemen?
Abschaltventile beenden den Öldurchfluss zu Komponenten oder Systemen. Ihre Funktion besteht darin, den Öldurchfluss in einer Hydraulikleitung gezielt zu unterbrechen oder freizugeben. Sie schützen Anlagen oder Komponenten zuverlässig vor Überdruck, indem sie den Förderstrom der Pumpe drucklos zum Tank abtrennen.
Wo werden hydraulische Abschaltventile angewendet?
Hydraulische Abschaltventile finden breite Anwendung in der Landtechnik (z. B. Kippanlagen, Frontlader, Traktoren), bei Baumaschinen (z. B. Bagger, Krane, Hubarbeitsbühnen) und in industriellen Fertigungsstraßen (z. B. Druckmaschinen, Prüfstände). Konkret werden sie auch zum Abschalten von Hydraulikmotoren, beispielsweise an Seilwinden, verwendet.
Welche typischen Leistungsdaten werden für Abschaltventile genannt?
Die Druckbereiche von Abschaltventilen decken üblicherweise 10 bis 700 bar ab. Die Durchflussleistung reicht von kleinen 10–15 l/min bis zu weit über 100 l/min für industrielle Anwendungen. Spezifische Ventile für Hydraulikmotoren sind für einen maximalen Betriebsdruck von 250 bar und einen maximalen Volumenstrom von 60 l/min ausgelegt.
Welche Vorteile ergeben sich durch den Einsatz von Abschaltventilen?
- Präzise Steuerung des Ölkreislaufs
- Schutz vor Anlagenüberlastung
- Steigerung von Sicherheit und Zuverlässigkeit
Aus welchen Materialien bestehen Abschaltventile typischerweise?
Abschaltventile bestehen meist aus hochwertigem Stahl (oft gehärtet) oder Edelstahl, um hohen Drücken und aggressiven Medien standzuhalten. Dichtungen werden aus Werkstoffen wie NBR oder FPM eingesetzt.
Welche Kriterien sind für die richtige Auswahl eines Abschaltventils entscheidend?
- Maximaler Systemdruck und erforderlicher Abschaltdruck (mit Sicherheitsreserve)
- Maximaler Volumenstrom
- Geeignete Anschlussgrößen und Bauform
- Kompatibilität der Werkstoffe mit dem verwendeten Hydraulikmedium
Welche Wartungsarbeiten sind bei hydraulischen Abschaltventilen vorgesehen?
Die Wartung umfasst die regelmäßige Sichtprüfung auf Undichtigkeiten, die Kontrolle der Schaltfunktion und der Dichtungen. Der Wechsel von Dichtungen oder das Nachstellen des Abschaltdrucks kann in den meisten Fällen im eingebauten Zustand erfolgen.