Eilgang-/Differenzialventile

Entdecken Sie unsere Eilgang-/Differenzialventile für den Rohrleitungsbau, mit denen Sie die Ausfahrgeschwindigkeit hydraulischer Zylinder deutlich steigern und Leerlaufzeiten minimieren. Durch intelligente Differenzdruckregelung nutzen diese Ventile den Öldurchfluss auf der Rücklaufseite optimal aus und ermöglichen so Zylindergeschwindigkeiten von bis zu dem Doppelten des Normalbetriebs. Mehr erfahren...

Filter
Anschlussgrößen
Fehler beim Abrufen der verfügbaren Filterwerte!
1 bis 1 (von insgesamt 1)
Mit maximalen Volumenströmen bis 160 l/min, Betriebsdrücken bis 350 bar und standardisierten G 3/4" Anschlüssen sind sie ideal für anspruchsvolle Anwendungen wie hydraulische Pressen oder Holzspalter. Die robusten, verzinkten Stahlgehäuse sind für den dauerhaften Hochdruckbetrieb ausgelegt, während eine empfohlene Filterfeinheit von 30 Micron für zuverlässige Funktion sorgt. Unsere Eilgang- und Differenzialventile im Hydromot Hydraulikshop unterstützen Sie dabei, Energieverbrauch zu senken, Prozesszeiten zu verkürzen und Ihre Hydrauliksysteme effizienter zu betreiben.

 

Eilgang-/Differenzialventile für Rohrleitungsbauweise – Häufig gestellte Fragen

Was genau ist ein Eilgang-/Differenzialventil und wofür wird es verwendet?

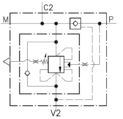
Ein Eilgang-/Differenzialventil für Rohrleitungsbauweise ist ein hydraulisches Ventil, das verwendet wird, um die Ausfahrgeschwindigkeit von Hydraulikzylindern zu erhöhen.

Es kommt insbesondere bei Leerlauf- oder Rücklaufstrecken zum Einsatz, bei denen schnelle Bewegungen vorteilhaft sind.

Das Ventil steuert den Öldurchfluss auf der Rücklaufseite des Zylinders über eine Differenzdruckregelung, wodurch der Eilgang ermöglicht wird.

Wie beeinflusst dieses Ventil die Geschwindigkeit des Zylinders?

Durch die Ventilfunktion kann die Geschwindigkeit des Zylinderhubes im Leerlauf bis zu doppelt so hoch sein wie im normalen Betrieb.

Das Ventil nutzt die Rücklaufströmung und führt diese teilweise dem vorderen Kolbenraum zu, wodurch sich der Volumenstrom im Ausfahrhub erhöht.

Dies steigert die Effizienz, spart Zeit und erhöht die Produktivität bei wiederkehrenden Leerlaufbewegungen.

In welchen Maschinen finden Eilgang-/Differenzialventile typischerweise Anwendung?

Eilgang-/Differenzialventile werden überall dort eingesetzt, wo eine schnelle Zylinderbewegung im Leerlauf sinnvoll ist.

Typische Einsatzbereiche sind:

  • Hydraulische Pressen
  • Holzspalter
  • Maschinen mit wiederkehrenden Hub- oder Stellbewegungen
  • Allgemeine Hydrauliksysteme, die schnelle Leerlaufbewegungen benötigen

Welche typischen technischen Spezifikationen weisen diese Ventile auf?

Typische technische Parameter eines Eilgang-/Differenzialventils in Rohrleitungsbauweise sind:

  • Maximaler Volumenstrom: 160 l/min
  • Maximaler Betriebsdruck: 350 bar
  • Druckeinstellbereich: typischerweise 60 bis 350 bar
  • Empfohlene Filterfeinheit: 30 Micron

Aus welchen Materialien bestehen Eilgang-/Differenzialventile und welche Anschlüsse besitzen sie?

Eilgang-/Differenzialventile bestehen in der Regel aus korrosionsbeständigem, verzinktem Stahl oder ähnlich robusten Materialien, um hohen Druckbeanspruchungen standzuhalten.

Die Ventile haben eine stabile, druckbeständige Konstruktion für anspruchsvolle hydraulische Anwendungen.

Die gängigen Anschlüsse sind üblicherweise als G 3/4” Gewinde ausgeführt.

Was sind die wichtigsten Kriterien bei der Auswahl eines passenden Eilgang-/Differenzialventils?

Die Auswahl eines geeigneten Eilgang-/Differenzialventils hängt von mehreren entscheidenden Faktoren ab:

  • Erforderlicher Volumenstrom
  • Maximaler Betriebsdruck
  • Passende Anschlussgrößen
  • Druckeinstellbereich
  • Kompatibilität mit den systemseitigen Hydraulikparametern

Welchen Beitrag leisten diese Ventile zur Effizienz des Systems?

Eilgang-/Differenzialventile ermöglichen eine deutlich erhöhte Geschwindigkeit des Zylinders bei Leerlaufbewegungen.

Dies sorgt nicht nur für schnellere Arbeitszyklen, sondern auch für eine höhere Energieeffizienz, da durch die Druckdifferenzregelung der Rücklaufstrom effektiv genutzt wird.

Die Ventile tragen damit wesentlich zur Produktivitätssteigerung und Optimierung des Energieverbrauchs bei.

Sind diese Ventile wartungsintensiv?

Der Wartungsaufwand für Eilgang-/Differenzialventile ist vergleichsweise gering.

  • Regelmäßige Überprüfung der Dichtungen zur frühzeitigen Erkennung von Leckagen
  • Funktionsprüfung des Ventils zur Sicherstellung des korrekten Differenzialverhaltens
  • Sauberes Hydrauliköl erhöht die Lebensdauer erheblich

Hochwertige Ventile erreichen typischerweise eine Lebensdauer von mehreren Jahren im hydraulischen Dauerbetrieb.