- Sie haben noch keine Artikel in Ihrem Warenkorb.
Startseite » Hydraulikpumpen » Zahnradpumpen » Zahnradpumpen Gr. 2 » Hydraulikpumpe, Zahnradpumpe, Baugruppe 2 BG2, DIN Flansch (Typ 4), kon. Welle 1:5 (Typ D), Schluckvolumen 4 bis 32 cm³/U, rechtsdrehend
Hydraulikpumpe, Zahnradpumpe, Baugruppe 2 BG2, DIN Flansch (Typ 4), kon. Welle 1:5 (Typ D), Schluckvolumen 4 bis 32 cm³/U, rechtsdrehend
Hydraulikpumpe, Zahnradpumpe, Baugruppe 2, DIN Flansch (Typ 4), kon. Welle 1:5 (Typ D), Schluckvolumen 4 bis 32 cm³/U, rechtsdrehend
Dieses Zahnradpumpe besticht durch ihre hohe Qualität und ihren günstigen Preis.Folgende Merkmale zeichnen dieses Produkt aus:
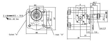
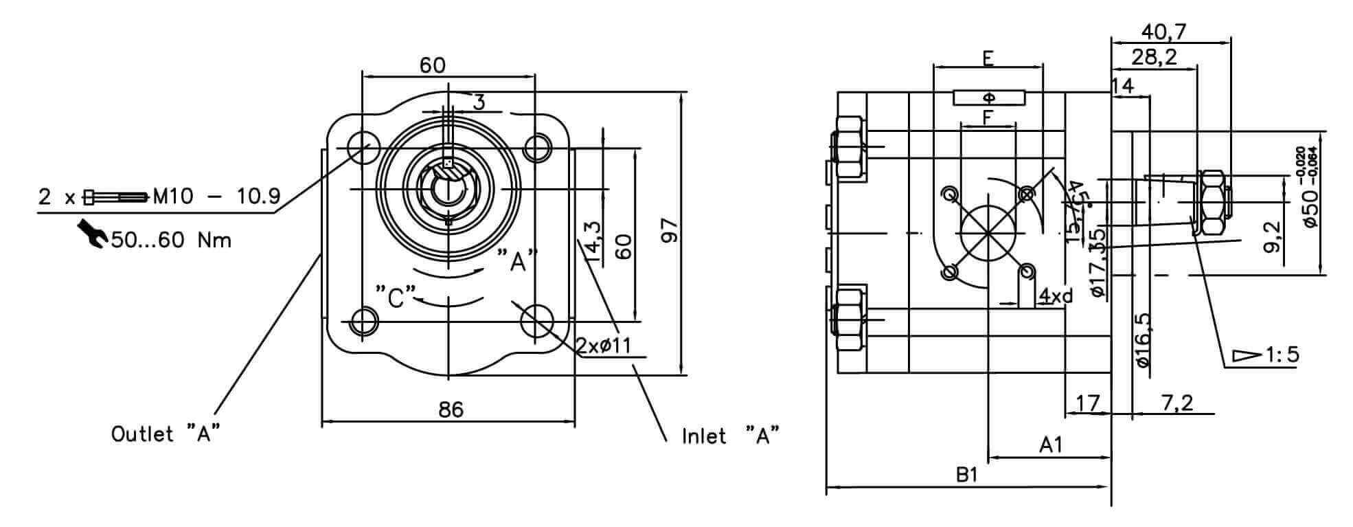
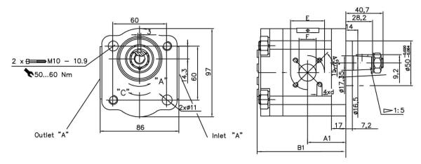
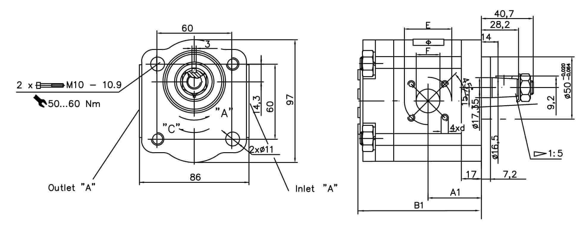
- Baugruppe 2 BG2
- Schluckvolumen wählbar von 4 bis 32 cm³/U
- Bohrungen 2 x Ø 11 mm
- DIN-Flansch Typ 4 (60 mm x 60 mm, Durchschraubausführung)
- Zentrierung 50 mm
- kon. Welle 1:5 (Typ D)
- seitliche Anschlüsse nach DIN
- Drehrichtung: rechts
Winkel Flansch:
| Größe | Eingangsanschlüsse | Ausgangsanschlüsse |
| 4ccm - 26ccm | LK40-34-BO | LK35-12-BO |
Technische Daten:
| Schluckvolumen | Abmessungen | Technische Daten | ||||||||
| A1 | B1 | Eingangsanschlüsse | Ausgangsanschlüsse | Nenndruck | Drehzahl | |||||
| cm3 | mm | mm | E (mm) | F (mm) | d (mm) | E (mm) | F (mm) | d (mm) | bar | tr/min |
| 4 | 40.5 | 89 | Ø40 | Ø20 | M6 | Ø35 | Ø15 | M6 | 250 | 700...3500 |
| 5 | 41.3 | 90.5 | Ø40 | Ø20 | M6 | Ø35 | Ø15 | M6 | 250 | 700...3500 |
| 6 | 42 | 92 | Ø40 | Ø20 | M6 | Ø35 | Ø15 | M6 | 250 | 700...3500 |
| 9 | 44 | 96 | Ø40 | Ø20 | M6 | Ø35 | Ø15 | M6 | 250 | 700...3500 |
| 10 | 45 | 98 | Ø40 | Ø20 | M6 | Ø35 | Ø15 | M6 | 250 | 700...3500 |
| 11 | 46 | 100 | Ø40 | Ø20 | M6 | Ø35 | Ø15 | M6 | 250 | 700...3500 |
| 12 | 47 | 102 | Ø40 | Ø20 | M6 | Ø35 | Ø15 | M6 | 250 | 700...3500 |
| 14 | 49 | 106 | Ø40 | Ø20 | M6 | Ø35 | Ø15 | M6 | 250 | 700...3500 |
| 15 | 50 | 107.5 | Ø40 | Ø20 | M6 | Ø35 | Ø15 | M6 | 250 | 700...3000 |
| 16 | 50.5 | 109 | Ø40 | Ø20 | M6 | Ø35 | Ø15 | M6 | 250 | 700..3000 |
| 17 | 51 | 110 | Ø40 | Ø20 | M6 | Ø35 | Ø15 | M6 | 250 | 700...3000 |
| 19 | 53 | 114 | Ø40 | Ø20 | M6 | Ø35 | Ø15 | M6 | 200 | 700...2500 |
| 22 | 56 | 120 | Ø40 | Ø20 | M6 | Ø35 | Ø15 | M6 | 200 | 700...2500 |
| 25 | 58 | 123.5 | Ø40 | Ø20 | M6 | Ø35 | Ø15 | M6 | 160 | 700...2000 |
| 26 | 58.5 | 125 | Ø40 | Ø20 | M6 | Ø35 | Ø15 | M6 | 160 | 700...2000 |
Pumpe Abmessungen:
Katalogdownload:
Hydraulik-Komponente zur Integration in hydraulische Systeme
Alle unsere Hydraulik-Produkte sind Neuware in Erstausrüsterqualität (außer wenn explizit anders angegeben). Sollte einmal ein gewünschter Artikel nicht vorrätig oder aufgeführt sein, so nehmen Sie gerne Kontakt mit uns auf. Wir werden dann umgehend versuchen, eine entsprechende Lösung nach Ihren Vorgaben zu finden. Darüber hinaus bauen wir unser Sortiment kontinuierlich weiter aus, um Ihnen eine große Auswahl an Hydraulik-Komponenten zu günstigen Preisen bieten zu können. Hydromot Hydraulik – immer günstig, immer gut!Kundenrezensionen
- Jörg Neumeister, 16.11.2020sehr schnelle Lieferung, Pumpe läuft ausgezeichnet, alles Bestens.
