- Sie haben noch keine Artikel in Ihrem Warenkorb.
Startseite » Ventile » Ventile Rohrleitungsbau » Druckbegrenzungsventile DBV / Schockventile » Druckbegrenzungsventil DBV, Schockventil für Danfoss OMP und OMR Hydraulikmotor
Druckbegrenzungsventil DBV, Schockventil für Danfoss OMP und OMR Hydraulikmotor
DBV Druckbegrenzungsventil, Schockventil für Hydraulikmotor OMP, OMR
Dieses DBV besticht durch seine hohe Qualität und seinen günstigen Preis.Folgende Merkmale zeichnen dieses Produkt aus:
- DBV doppeltwirkend für Danfoss OMP und OMR, passend auch für CPM, CPRM, MP, MR, sowie Eaton, Brevini, etc.
- max. Volumenstrom: 60 l/min
- max. Betriebsdruck: 300 bar
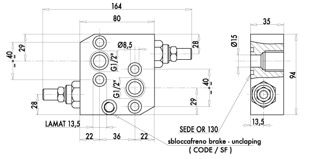
- Anschlüsse: G 1/2‘‘
- Einstellbereich: 80 - 300 bar
Schaltbild:

Abmessungen:

Hydraulik-Komponente zur Integration in hydraulische Systeme
Alle unsere Hydraulik-Produkte sind Neuware in Erstausrüsterqualität (außer wenn explizit anders angegeben). Sollte einmal ein gewünschter Artikel nicht vorrätig oder aufgeführt sein, so nehmen Sie gerne Kontakt mit uns auf. Wir werden dann umgehend versuchen, eine entsprechende Lösung nach Ihren Vorgaben zu finden. Darüber hinaus bauen wir unser Sortiment kontinuierlich weiter aus, um Ihnen eine große Auswahl an Hydraulik-Komponenten zu günstigen Preisen bieten zu können. Hydromot Hydraulik – immer günstig, immer gut!
Kundenrezensionen
Leider sind noch keine Bewertungen vorhanden. Seien Sie der Erste, der das Produkt bewertet.