- Sie haben noch keine Artikel in Ihrem Warenkorb.
Startseite » Ventile » Magnetventile » Grundplatten für Magnetventile » Grundplatte 1-fach NG10 (CETOP 5), Stahl, Anschlüsse unten
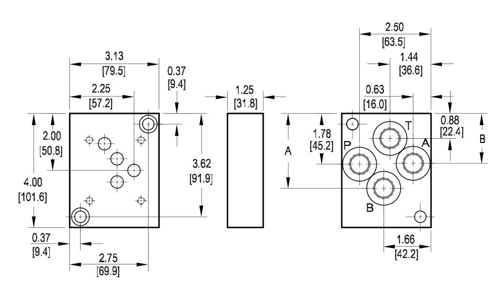
Grundplatte 1-fach NG10 (CETOP 5), Stahl, Anschlüsse unten
CETOP-5-Grundplatte NG10, 1-fach, Stahl, mit Anschlüssen unten – ab Lager lieferbar, bis 345 bar
Die Grundplatte HMGP10S12U ist die Unteranschluss-Ausführung der einfachen CETOP-5-Ventilbasis für NG10-Magnetventile. Alle vier Anschlüsse P, T, A und B sind nach unten geführt und mit G 1/2" ausgeführt – eine Anordnung, die sich besonders für platzsparende Einbausituationen eignet, bei denen die Rohrinstallation unterhalb der Ventilebene geführt wird und die Flanken des Ventilblocks frei bleiben sollen. Das Magnetventil wird von oben auf die Grundplatte geschraubt; die Rohrinstallation erfolgt ausschließlich von unten, was kompakte Steuerblockaufbauten ohne seitliche Schlauchabgänge ermöglicht.
Technisch ist die Unteranschluss-Variante mit der seitlichen Ausführung HMGP10S12S identisch: maximaler Betriebsdruck 345 bar, maximales Fördervolumen 100 l/min, Stahlgehäuse für industrielle Hochdruckanwendungen, kompatibel mit allen DSG-Baureihen-Magnetventilen im CETOP-5-Standard. Der wesentliche Unterschied liegt neben der Anschlussposition in der Verfügbarkeit: Die Unteranschluss-Variante HMGP10S12U ist ab Lager lieferbar, während die seitliche Variante derzeit 12–14 Wochen Lieferzeit aufweist.
Technische Daten
- Typ: CETOP-5-Grundplatte, 1-fach
- Art.-Nr.: HMGP10S12U
- Nenngröße: NG10 (CETOP 5)
- Ausführung: Stahl
- Anschlussposition: unten (P, T, A, B)
- Anschlüsse: G 1/2"
- Max. Betriebsdruck: 345 bar
- Max. Fördervolumen: 100 l/min
- Versandgewicht: 10 kg
Abgrenzung: Für Einbausituationen mit seitlicher Rohrführung steht die Variante HMGP10S12S (Anschlüsse seitlich) zur Verfügung. Für Systemdrücke bis 250 bar und kleinere Volumenströme bis 40 l/min ist die leichtere NG06-Grundplattenbaureihe (CETOP 3) die kompaktere Alternative.
Abmessungen:
Kundenrezensionen
Leider sind noch keine Bewertungen vorhanden. Seien Sie der Erste, der das Produkt bewertet.