- Sie haben noch keine Artikel in Ihrem Warenkorb.
Hydraulikmotor CPMH250C
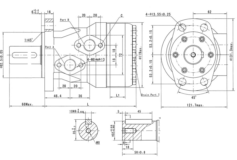
Motor (Hydraulik) CPMH250C
Dieser Motor besticht durch seine hohe Qualität und seinen günstigen Preis.Folgende Merkmale zeichnen dieses Produkt aus:
- Hydraulikmotor CPMH250C
- Schluckvolumen 250 cm3/U
- Anschlüsse: G 1/2‘‘
- Welle: Ø 32 zylindrisch mit Passfeder A10 x 8 x 45
- Modell Längsschieberventil
- 4-Loch Ovalflansch (Magnetoflansch)
- inkl. Hochdruckwellendichtung bis 150 bar
- internes Rückschlagventil
- Verwendung ohne Leckölanschluss möglich
- Erstausrüsterqualität
- ideal für enge Bauräume
- Danfoss, 151H1003, OMH 250
- danfoss, 151H1013, OMH 250

Technische Daten:
| Typ | CPMH160 | CPMH200 | CPMH250 | CPMH315 | CPMH400 | CPMH500 |
| Schluckvolumen [ccm/U] | 159 | 203.2 | 255.9 | 316.1 | 406.4 | 489.2 |
| max. Drehzahl [U/min] | 450 | 366 | 290 | 236 | 183 | 155 |
| max. Drehmoment [daNm] | 35.5 | 51 | 62.1 | 74 | 85 | 83 |
| max. Leistungsabgabe [kW] | 16 | 16 | 16 | 14 | 12.5 | 11 |
| max. Druckgefälle [bar] | 175 | 175 | 175 | 175 | 155 | 125 |
| max. Ölstrom [l/min] | 75 | 75 | 75 | 75 | 75 | 75 |
| max. Eingangsdruck [bar] | 200 | 200 | 200 | 200 | 200 | 200 |
CPMH verfügbare Flansch und Wellenvarianten:
| Code | Montageflansch | Code | Wellenausführungen | |
| Leer | 4-loch Magnetoflansch | C | Ø32 mm zylindrisch mit Passfeder A10 x 8 x 45 | |
| |
Kundenrezensionen
Leider sind noch keine Bewertungen vorhanden. Seien Sie der Erste, der das Produkt bewertet.