- Sie haben noch keine Artikel in Ihrem Warenkorb.
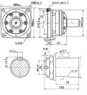
Hydraulikmotor CPMVW1000K
Motor (Hydraulik) CPMVW1000K
Dieser Motor besticht durch seine hohe Qualität und seinen günstigen Preis.Folgende Merkmale zeichnen dieses Produkt aus:
- Hydraulikmotor CPMVW1000K
- Schluckvolumen 1000 cm3/U
- Anschlüsse: G 1‘‘
- Welle: konisch 1:10 mit Passfeder B16 x 10 x 32
- Modell Axialverteilerventil
- Radflansch
- internes Rückschlagventil
- Verwendung ohne Leckölanschluss möglich
- Erstausrüsterqualität
- ideal für enge Bauräume
Technische Daten:
| Typ | CPMV315 | CPMV400 | CPMV500 | CPMV630 | CPMV800 | CPMV1000 |
| Schluckvolumen [ccm/U] | 333 | 419 | 518 | 666 | 801 | 990 |
| max. Drehzahl [U/min] | 510 | 500 | 400 | 320 | 250 | 200 |
| max. Drehmoment [daNm] | 92 | 118 | 146 | 166 | 188 | 201.5 |
| max. Leistungsabgabe [kW] | 38 | 47 | 47 | 40 | 33 | 26.6 |
| max. Druckgefälle [bar] | 200 | 200 | 200 | 180 | 160 | 140 |
| max. Ölstrom [l/min] | 160 | 200 | 200 | 200 | 200 | 200 |
| max. Eingangsdruck [bar] | 210 | 210 | 210 | 210 | 210 | 210 |
CPMV verfügbare Flansch und Wellenvarianten:
| Code | Montageflansch | Code | Wellenausführungen | |
| Leer | 4-loch Quadratflansch | C | Ø50 mm zylindrisch mit Passfeder A14 x9 x 70 | |
| W |
Kundenrezensionen
Leider sind noch keine Bewertungen vorhanden. Seien Sie der Erste, der das Produkt bewertet.