- Sie haben noch keine Artikel in Ihrem Warenkorb.
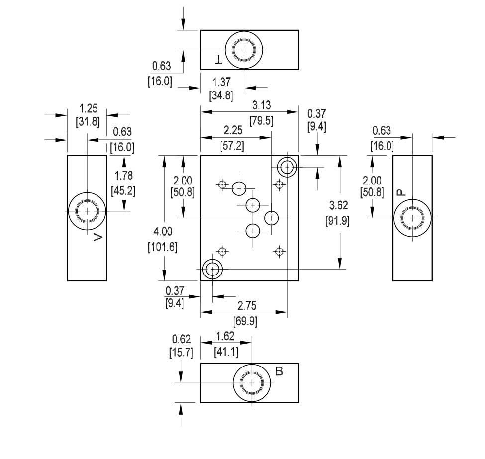
Grundplatte 1-fach NG10 (CETOP 5), Stahl, Anschlüsse seitlich
CETOP-5-Grundplatte NG10, 1-fach, Stahl, mit seitlichen Anschlüssen – Ventilbasis für Hochdruckanwendungen bis 345 bar und 100 l/min
Die Grundplatte HMGP10S12S bildet die mechanische und hydraulische Basis für ein einzelnes NG10-Magnetventil (CETOP 5) und ist auf Anwendungen ausgelegt, die den Leistungsbereich der kleineren NG06-Grundplatten übersteigen. Im Unterschied zur NG06-Baureihe sind alle vier Anschlüsse P, T, A und B bei dieser Ausführung seitlich geführt und mit G 1/2" dimensioniert – eine Anordnung, die den Einsatz in beengten Einbausituationen erleichtert, bei denen eine Verrohrung von unten nicht möglich ist, und zugleich größere Leitungsquerschnitte für höhere Volumenströme erlaubt.
Mit einem maximalen Betriebsdruck von 345 bar und einem zulässigen Fördervolumen von bis zu 100 l/min deckt diese Stahlgrundplatte das volle Leistungsspektrum der gängigen NG10-Magnetventile der DSG-Baureihe ab. Die Stahlausführung ist für stationäre Industrieanlagen und schwere Mobilhydraulik ausgelegt, bei denen maximale Druckfestigkeit Vorrang vor Gewichtsoptimierung hat. Das Montagekonzept folgt dem CETOP-Standard: Das Magnetventil wird von oben aufgeschraubt, die Rohrinstallation erfolgt seitlich an der Grundplatte – Ventiltausch und Wartung ohne Eingriff in die Rohrleitungsinstallation.
Hinweis zur Verfügbarkeit: Dieser Artikel ist nicht ab Lager lieferbar. Die Lieferzeit beträgt derzeit 12–14 Wochen. Bei zeitkritischen Projekten empfehlen wir eine frühzeitige Bestellung oder Kontaktaufnahme für aktuelle Verfügbarkeitsinformationen.
Technische Daten
- Typ: CETOP-5-Grundplatte, 1-fach
- Art.-Nr.: HMGP10S12S
- Nenngröße: NG10 (CETOP 5)
- Ausführung: Stahl
- Anschlussposition: seitlich (P, T, A, B)
- Anschlüsse: G 1/2"
- Max. Betriebsdruck: 345 bar
- Max. Fördervolumen: 100 l/min
- Versandgewicht: 10 kg
- Lieferzeit: 12–14 Wochen
Abgrenzung: Für NG10-Anwendungen mit Anschlüssen von unten steht die Variante HMGP10S12U zur Verfügung. Für Systemdrücke bis 250 bar und geringere Volumenströme bis 40 l/min ist die kompaktere und leichtere NG06-Grundplattenbaureihe (CETOP 3) geeignet.
Abmessungen:
Kundenrezensionen
Leider sind noch keine Bewertungen vorhanden. Seien Sie der Erste, der das Produkt bewertet.